诺亮于2022.8.25更新国内220V检测报告证书
2022.8.25诺亮NL防雾膜、防雾器、防雾贴、除雾膜、除雾器、除雾贴、电热膜、加热膜、加热贴 镜子防雾膜,诺亮NL品牌 获得专利证书
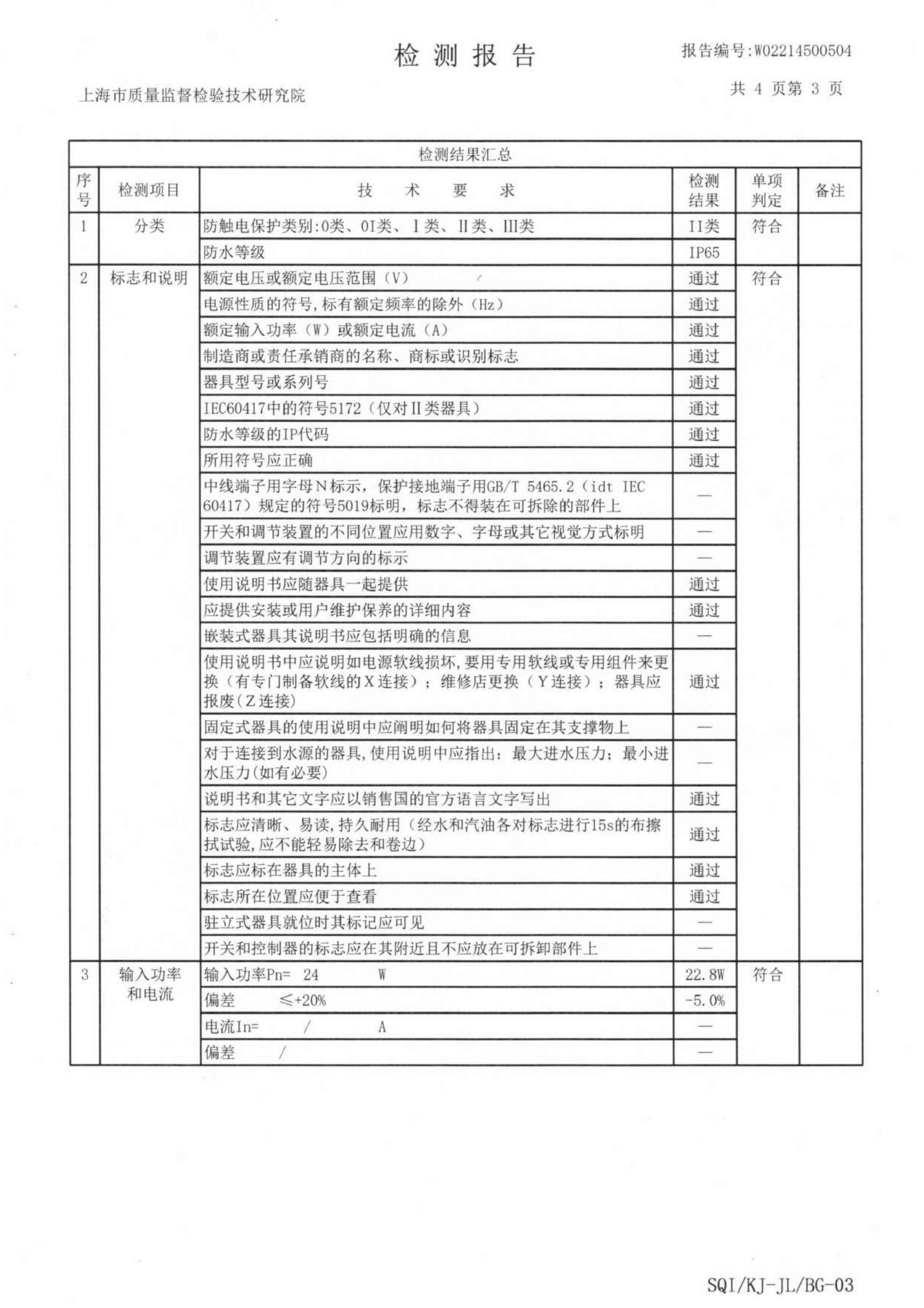
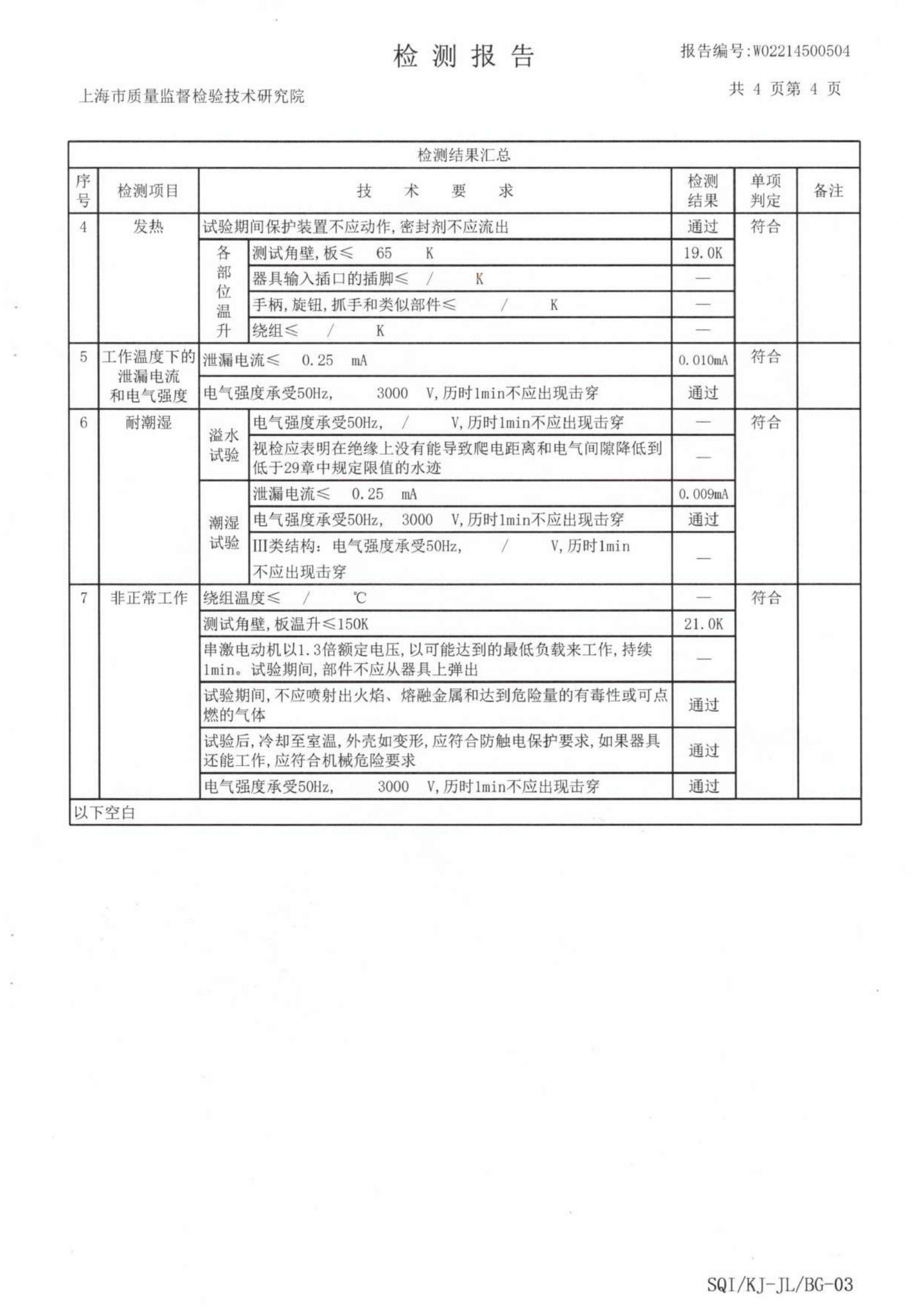
证书编号:W02214500504





| 上一条:诺亮于2022.9.16更新电极盖耐灼热丝报告证书 | 下一条:诺亮于2022.7.15更新 防水报告证书 |
2022.8.25诺亮NL防雾膜、防雾器、防雾贴、除雾膜、除雾器、除雾贴、电热膜、加热膜、加热贴 镜子防雾膜,诺亮NL品牌 获得专利证书
证书编号:W02214500504





| 上一条:诺亮于2022.9.16更新电极盖耐灼热丝报告证书 | 下一条:诺亮于2022.7.15更新 防水报告证书 |
QQ客服
电话沟通
手机沟通
微信咨询